本文转自:GaN世界
GaN作为第三代半导体材料,,,广泛应用于功率电子器件中,,,,根据Yole数据,,,,2018年GaN功率器件国际市场规模中,,,电源设备领域占比55%,,,,其次是激光雷达,,占比达到26%,,,其他下游应用如包络跟踪、、、无线电源等。。。。
目前我们使用的电子及电源设备,,,如个人电脑适配器、、、、音频/视频接收器和数字电视等,,有着占用空间大、、不美观、、、发热导致电量损耗等缺点,,,,而GaN能够减少电源体积,,同时提升效率。。。。

GaN,,,,SiC 和 Si半导体材料下游应用分布
一般来说,,,更高的充电功率意味着更大的体积和重量,,,,氮化镓(GaN)材料很好的避免了这个问题,,,,自然也就成了许多轻薄本和支持快充手机的首选。。。除了众多国内厂商,,,,GaN最近也获得了苹果的青睐。。。。
根据DigiTimes的消息,,Navitas半导体预计将在2021年获得苹果GaN充电器的订单。。。。作为长期合作伙伴,,,台积电则将会供应相关芯片。。。。从理论上讲,,GaN比传统的硅MOSFET具有更大的技术优势,,随着价格的不断降低,,GaN器件正在成为功率市场的有力竞争者。。。。根据市场调研机构YoleDeveloppment的预测,,尽管与328亿美元的硅功率器件市场相比,,,,现有的GaN市场还很小,,但GaN器件已经开始渗透到很多应用领域。。。。若论最吸引众人眼球或者市场最火爆的应用,,非GaN充电器莫属。。。。GaN充电器能够在较小的体积内实现更大的充电功率,,,非常适合ipads、、、、MacBook等产品使用。。

图:市场调研机构YoleDeveloppment预计,,,将GaN技术在快充和无线充电领域的应用很可能快速引爆GaN功率器件市场
图片来源:YoleDeveloppment
那么氮化镓是什么,,氮化镓充电器跟其它充电器又有什么区别呢??
GaN属于第三代半导体材料(又称为宽禁带半导体材料)。。。。GaN的禁带宽度、、、、电子饱和迁移速度、、、击穿场强和工作温度远远大于Si和GaAs,,,,具有作为电力电子器件和射频器件的先天优势。。。。目前第三代半导体材料以SiC和GaN为主。。相较于SiC,,,,GaN材料的优势主要是成本低,,,,易于大规模产业化。。。尽管耐压能力低于SiC器件,,,但优势在于开关速度快。。。同时,,,GaN如果配合SiC衬底,,,器件可同时适用高功率和高频率。。半导体材料的发展主要体现在三个方面:
1)衬底及外延材料向大直径发展;
2)材料质量和器件性能的提升;
3)成本和价格的下降推动产业发展。。。
在衬底方面,,,,日本多家公司已在出售2~3英寸GaN衬底;
在外延片方面,,4~6英寸Si衬底GaN外延片的材料已经实现量产。。。。
GaN在未来几年将在许多应用中取代硅,,,其中,,快充是第一个可以大规模生产的应用。。。。在600伏特左右的电压下,,,,GaN在芯片面积、、电路效率和开关频率方面的表现明显好于硅,,,,因此在壁式充电器中可以用GaN来替代硅。。。

优越的材料特性让氮化镓功率器件具有巨大的优势
5G智能手机的屏幕越来越大,,,,与之对应的是手机续航的需求越来越高,,,,这意味着电池容量的增加。。。GaN快充技术可以很好地解决大电池带来的充电时长问题。。硅正在逐渐达到其物理极限,,,,特别是在功率密度方面。。。。这反过来限制了配备硅功率组件的设备的紧凑程度。。在非常高的电压、、、、温度和开关频率下,,GaN与硅相比具有优越的性能,,,,可显着提高能源效率。。。功率GaN于2018年中后期在售后市场中出现,,主要是Anker、、、Aukey和AVpower的24至65瓦充电器。。


在1990年代对分立GaN及2000年代对集成GaN进行了多年学术研究之后,,,,Navitas的GaNFast源集成电路现已成为业界公认的,,具有商业吸引力的下一代解决方案。。。。它可以用来设计更小、、、更轻、、、更快的充电器和电源适配器。。。。单桥和半桥的GaNFast电源IC是由驱动器和逻辑单片集成的650V硅基GaNFET,,采用四方扁平无引线(QFN)封装。。GaNFast技术允许高达10MHz的开关频率,,从而允许使用更小、、、、更轻的无源元件。。。此外,,,寄生电感限制了Si和较早的分立GaN电路的开关速度,,,,而集成可以最大限度地减少延迟和消除寄生电感。。2019年9月,,,OPPO宣布在其65W内置快速充电器中采GaNHEMT器件,,,GaN在2019年首次进入主流消费应用。。。。2020年2月份,,,小米公司推出了65WGaN充电器,,,其横截面积仅比一元硬币稍大,,,重量约为82克,,,其物理尺寸比现有充电器小很多,,,非常便于携带。。但其充电速度超快,,,对一块4500mAh的超大电池从0充电至满格仅需45分钟。。其实,,,GaN充电器市场的火爆是有原因的。。。想必很多消费者都有这样痛苦的经历,,,,每逢出差,,,,必须携带手机、、平板电脑和笔记本电脑使用的多个充电器和适配器,,有限的行李空间被这些“必备的物品”占去大半。。。。怎么解决这个难题呢??统一充电器和适配器的标准应该是最彻底的解决方案,,,,目前看来可操作性不高。。现实唯一可行的办法就是提高功率密度,,,尽量缩小这些充电器和适配器的体积。。。尺寸小、、、充电快是GaN充电器的最大优势,,,,一经面世,,,,市场很快就接受了这个产品。。。据统计,,,在2020年初的CES2020上,,GaN充电器就随处可见。。

图:GaN器件的商业化应用
图片来源:小米
每个新技术快速商用的背后,,,,总会有不少技术“推手”,,,,GaN充电器也不例外。。。。随着这一市场热度的持续升温,,,各个GaN厂商也在加紧推出新的方案以应对市场所需。。
下面我们就介绍几个典型设计实例,,供大家参考。。。。
英飞凌是业界唯一一家掌握Si、、、、SiC和GaN等所有功率半导体技术的公司,,,其CoolGaN™600V增强型HEMT(高电子迁移率晶体管)经过专门优化,,可实现快速开通和关断,,,在开关模式电源(SMPS)中能实现高能效和高功率密度,,,,其优值系数(FOM)在当前市场上的所有600V器件中首屈一指。。。CoolGaN™的输出电荷和栅极电荷均比硅低10倍,,,,反向恢复电荷几乎为零,,,这是高频工作的关键。。。该器件具有极少输出电容,,,,可在反向导通状态下提供优异的动态性能,,,大幅提高工作频率,,从而通过缩小被动元器件的总体尺寸,,提高功率密度。。在GaN充电器中,,,为了在功率密度上实现突破,,,,目前,,,,此类系统中使用的典型功率拓扑为反激式功率变换拓扑。。英飞凌CoolGaN™产品采用的就是这种拓扑结构,,,在功率密度方面有着很大突破,,,最高可达20W/in3(最大输出功率为65W)。。。英飞凌在其GaN充电器白皮书中推荐的非对称反激式功率变换拓扑见图4,,该拓扑利用磁化电流和同步整流开关的ZCS(零电流开关)构成初级侧半桥的ZVS(零电压开关),,,,为实现最高转换效率奠定了基础。。。。

图:同步整流不对称PWM反激原理图
图片来源:Infineon
基于上述拓扑,,,,英飞凌开发了采用500v/140mΩMOSFET的65W样机,,,,支持USB-PD,,,输出电压从5V/3A到20V/3.25A不等,,工作频率从100kHz到220kHz。。原型机的最大效率为94.8%,,,,而在Vin=90V时的最低满载效率为93%。。
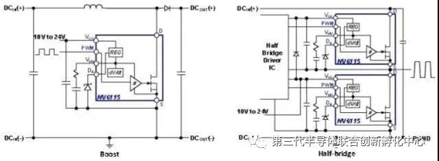
通过一些极客的拆解我们知道,,,,纳微半导体(Navitas)推出的GaNFast氮化镓功率芯片NV6115和NV6117,,也是上文中提到的小米65WGaN充电器中的关键器件,,它们使得该充电器在功率密度上实现了突破。。。与安森美半导体的NCP51530(700V高低边驱动器)和德州仪器的UCC28780(反激式控制器)相互搭配构成的高频开关,,,,大幅缩减了充电器中的变压器体积。。。。Navitas的NV6115和NV6117为650VGaNFast电源IC,,针对高频软开关拓扑进行了优化。。。扩展了传统拓扑结构如反激式、、、半桥式、、谐振式等功能,,,,可简化高频率、、、高能量密度开关模式电源的设计。。

图:NV6115典型应用原理图
图片来源:Navitas
据统计,,,,现在市场上约有50余种使用了GaNFast的移动快充产品和平台,,其中包括顶级OEM正在批量生产的壁式充电器,,,,其功率范围从24W至300W。。。。三星、、Oppo、、、小米和Verizon等都是Navitas的客户。。。采用GaNFast的充电器具有USB-C功能,,,,不仅可以提供足够的电量为笔记本电脑快速充电,,,并能为智能手机、、平板电脑、、、耳机和VR耳机等所有其他移动设备快速并安全地充电。。氮化镓产业链基本包括衬底、、外延片、、、、器件制造等环节,,,其中硅基衬底主要供应商有德国Siltronic、、日本Sumco、、、日本Shin-Etsu等企业,,,,而日本的NTT-AT、、比利时的EpiGaN和英国的IQE等则是硅基GaN外延片的主要供应商。。。。部分厂商则在产业链上延伸,,同时生产外延片及器件制造,,,例如Episil、、、、Bridg、、、、Fujitsu等。。。。目前主流氮化镓生产厂家依旧集中在欧洲国家及日本等。。下面仅简单介绍以生产外延片为主的几家主流供应商。。。

NTT-AT。。。。NTT尖端科技株式会社成立于1976年,,,,总部位于日本。。公司目前生产可用于大功率集成电路及高频率通信领域的高品质氮化镓外延片。。
公司氮化镓外延片因高击穿电压、、、、低漏电流和出色的2DEG特性而闻名,,从而被优质的半导体厂商所采用。。公司2018财年(2018年4月-2019年3月)实现收入561.95亿日元,,,,实现净利润24.24亿日元。。。
EpiGaN。。。。公司成立于2010年,,总部位于比利时东部哈瑟尔特市,,是全球最大的微电子产学研中心之一IMEC的衍生公司。。公司可提供4、、、6英寸氮化镓外延晶圆,,,,广泛用于5G通讯、、、高效电力电子、、、射频功率、、、传感器等领域。。目前公司已经率先实现了8英寸硅基氮化镓磊晶圆工业量产,,,生产工艺处于行业先进水平。。DOWA。。。。公司成立于1884年,,,目前面向尖端电子设备的需求进行开发,,提供差异化半导体材料、、、、导电材料及磁性材料。。。。目前公司从事氮化镓外延片生产,,,,通过使用专利缓冲层在氮化镓外延片上实现了高电压电阻和良好的平整度。。。。下游主要应用于功率半导体中的逆变器和交直流变换器以及移动基站。。。IQE。。。。公司成立于1988年,,总部位于英国卡迪夫,,,是全球领先的设计和制造先进的半导体外延产品的公司之一。。。。下游市场主要为电子、、、汽车、、、、航天等领域。。。。公司2018年共实现营收1.56亿英镑。。。提起氮化镓技术,,就不得不提其背后的功率芯片技术及三大主要供货厂家。。。这三家厂家分别是Power Integration , Inc.、、纳微半导体(Navitas)、、、、英诺赛科(Innoscience)。。。1、、、Power Integrations, Inc. ,,,,总部位于美国硅谷, 是一家拥有三十多年的历史,,专注于高压电源管理及控制的高性能电子元器件及电源方案的供应商,,其产品品质及品牌在全球拥有很高的认可度。。。PI推出的集成电路和二极管为包括移动设备、、、电视机、、、、PC、、、、家电、、、、智能电表和LED灯在内的大量电子产品设计出小巧紧凑的高能效AC-DC电源。。。。2019年9月,,,OPPO发布的65W 基于SuperVOOC 2.0技术的氮化镓快充,,,是品牌手机厂商首次将氮化镓快充作为手机标配,,其利用的也正是PI的PowiGaN系列的氮化镓芯片。。。彼时PI在氮化镓PowiGaN功率芯片的累计发货量就已超过一百万颗,,,是目前累计发货量最大的厂家。。。。2、、、纳微半导体(Navitas)拥有强大的功率半导体行业专家团队,,专有的 AllGaN工艺设计套件将最高性能的GaNFET与逻辑和模拟电路单片集成,,,,可为移动、、、消费、、、、企业和新能源市场提供更小、、、、更高能效和更低成本的电源2020年,,小米发布的氮化镓快充产品就是采用了纳微半导体的功率芯片产品。。。3、、、英诺赛科(Innoscience)作为唯一上榜的国产硅基氮化镓厂商,,,在当前中美贸易战的大背景下获得了许多厂商的关注,,,业界对其发展潜力十分看好。。公司在珠海和苏州建有两个8英寸硅基氮化镓芯片研发生产基地,,,,产品线覆盖30V-650V的全系列氮化镓芯片,,自有失效分析和可靠性实验室为产品品质保驾护航,,,,目前在快充领域已有超过10家企业利用其高压氮化镓芯片成功开发出快充产品并实现量产。。英诺赛科虽然起步较晚,,但是在商业模式(IDM),,,,工艺先进性,,产品覆盖面,,,,产能布局等核心方面都具有极大的优势,,未来发展十分值得期待。。。。据Yole预测,,,受消费者快速充电器应用推动,,到2024年GaN电源市场规模将超过3.5亿美元,,,,CAGR为85%,,有极大增长空间。。。。此外,,,,GaN还有望进入汽车及工业和电信电源应用中。。。从生产端看,,GaN功率半导体已开始批量出货,,,,但其价格仍然昂贵。。。。制造成本是阻碍市场增长的主要障碍,,,因为到今天GaN仍主要使用6英寸及以下晶圆生产。。。一旦成本可降低到一定门槛,,,市场就会爆发。。基于手机快充的激烈竞争,,OPPO、、、、vivo、、、、小米等中国手机厂商将带动GaN功率市场快速增长。。。。GaN功率器件领域一直由EPC,,GaNSystems,,Transphorm和Navitas等纯GaN初创公司主导,,,,他们的产品主要是TSMC,,Episil或X-FAB代工生产。。。国内新兴代工厂中,,,,三安集成和尊龙时凯具有量产GaN功率器件的能力。。2018-2024年,,,,受大功率快充应用推动的功率GaN器件市场预测